+7 (411) 231-87-88
+7 (411) 231-87-88

Каталог запчастей на Shaanxi SX3256DR384 (F3000 D/WP10.336E40/12JS160TA/13T STR 5.73) - самосвал

2015
SX3256DR384
Развернуть каталог до:
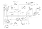
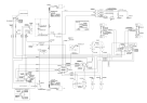
Электрооборудование
Элементы электрооборудования
Переключатель/SWITCH, RADIO AND CIGARETTE LIGHTER
Переключатель/SWITCH
Комбинированный переключатель/COMMBINATION SWITCH
Выключатель тормозного света/BRAKE LIGHT SWITCH
Панель диагностическая/DIAGNOSIS PANEL
Аудиооборудование/RADIO LOUDHAILER, WIRE
Электрооборудование/LEFT, RIGHT FRONT WIRING
Звуковой сигнал/ELECTRONICAL HORN
Датчик давления воздуха/AIR PRESSURE SENSOR
Комбинация приборов/COMBINATION GAUGE ASSY WITH FRAME
Переключатель/SWITCH, RADIO AND CIGARETTE LIGHTER
Переключатель моторного тормоза/EXHAUST BRAKE SWITCH
Переключатель/NEAR SWITCH
Панель электрическая/ELECTRIC PANEL I
Центральная электрическая панель II/CENTER ELECTRIC PANEL II
Панель электрическая/ELECTRIC PANEL SCUTCHEON
Крышка передней панели/PLUG
Электрооборудование/CENTRAL ELECTRICAL SYSTEM
Переключатель/SWITCH
Электропроводка/WIRING
Электрооборудование/OTHER CABIN WIRING
Реле и предохранители/RELAY, FUSE
Электрооборудование/OTHER CABIN WIRING
Реле и предохранители/RELAY, FUSE
Контроллер АБС/ABS CONTROLLER
Электрооборудование/OTHER CABIN WIRING
Реле и предохранители/RELAY, FUSE
Переключатель/SWITCH
Электрооборудование/OTHER CABIN WIRING
Реле и предохранители/RELAY, FUSE
Электрооборудование/CAB INNER ELECTRONICAL DEVICE
Насос/PUMP
Заглушка/PLUG KEY FOR ELECTRIC WINDOW LIFTER SWITCH
Освещение кабины/FLOODLIGHT
Освещение кабины/FLOODLIGHT ON REAR PANNEL
Электропроводка/WIRING
Электрооборудование шасси/CHASSIS ELECTRICAL/WPE40/COLD AREA
Электрооборудование шасси/CHASSIS ELECTRICAL/WPE40/COLD AREA
Электрооборудование шасси/CHASSIS ELECTRICAL/WPE40
Электрооборудование шасси/CHASSIS ELECTRICAL/WPE40
Электрооборудование шасси/CHASSIS ELECTRICAL/WPE40
Электрооборудование шасси/CHASSIS ELECTRICAL/COLD AREA
Клапан/VALVE
Электрооборудование шасси/CHASSIS ELECTRICAL APPLIANCES
Электрооборудование шасси/CHASSIS ELECTRICAL/WP10/COLD AREA
Клапан/VALVE
Электрооборудование шасси/CHASSIS ELECTRICAL/COLD AREA
Электрооборудование шасси/CHASSIS ELECTRICAL/COLD AREA
Электрооборудование шасси/CHASSIS ELECTRICAL/ADDITIONAL/K38/B38/WABCO 6ABS/NEW
Электрооборудование шасси/CHASSIS ELECTRICAL/COLD AREA
Ящик аккумуляторной батареи/BATTERY BOX MOUNTING
Ящик аккумуляторной батареи/BATTERY BOX
Переключатель АКБ/MAIN BATTERY SWITCH
Кузов
Truck Контакты:
Адрес: г. Якутск, мкр. Марха Строда, 40 677901 Якутск,
Телефон:+7 (411) 231-87-88, Электронная почта: info@truck14.ru