+7 (411) 231-87-88
+7 (411) 231-87-88

Каталог запчастей на КамАЗ 4326, 43261 - бортовой тягач (4х4); 740.11-260 (Euro-1), 740.31-240 (Euro-2)

2007
4326
Развернуть каталог до:
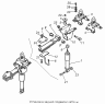
Двигатель
Двигатель
Агрегат силовой 740.11-240, укомплектованный для установки на автомобиль 43261-1000272-50
Агрегат силовой 740.11-240, укомплектованный для установки на автомобиль 43261-1000278
Агрегат силовой 740.11-240, укомплектованный для установки на автомобиль 4326-1000272-11
Агрегат силовой 740.31-240, укомплектованный для установки на автомобиль 4326-1000260-01
Агрегат силовой 740.13-260, укомплектованный для установки на автомобиль 43114-1000284-51
Агрегат силовой 740.13-260, укомплектованный для установки на автомобиль 65111-1000282-30
Агрегат силовой 740.30-260, укомплектованный для установки на автомобиль 43118-1000261-01
Двигатель 740.11-240 без оборудования 740.11-1000459-23
Двигатель 740.31-240 с оборудованием 740.31-1000402-01
Двигатель 740.30-260 с оборудованием 740.30-1000402-61
Агрегат силовой 740.11-240 740.11-1000309-23
Агрегат силовой 740.31-240 740.31-1000302-01
Агрегат силовой 740.30-260 740.30-1000302-71
Двигатель 740.11-240 с оборудованием 740.11-1000409-23
Установка силового агрегата 53205-1001005-10
Установка силового агрегата 53229-1001005
Кронштейн передней опоры 53205-1001015
Башмак задней опоры силового агрегата 5320-1001062-10
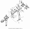
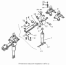
Основные элементы двигателя
Установка картера агрегатов 7406.1002003
Картер агрегатов 7406.1002320
Установка картера маховика 740.21-1002004
Установка картера маховика 740.13-1002004
Шестерня ведущая привода распределительного вала 740.1029114
Шестерня ведомая привода топливного насоса 7405.1029120
Корпус заднего подшипника 740.1029175
Картер маховика 7405.1002310
Картер маховика 740.11-1002310
Установка картера маховика 7406.1002004-20
Картер маховика 7406.1002310
Корпус манжеты 740.37-1029170
Блок цилиндров 740.13-1002010
Блок цилиндров 740.21-1002011
Заглушка водяной полости 740.1002080
Крышка блока цилиндров передняя 740.1002260
Втулка с кольцами 740.1003035
Головка цилиндра с клапанами 740.21-1003000
Головка цилиндра с клапанами 740.30-1003010-02
Головка цилиндра 740.30-1003014
Заглушка с кольцом 740.1003434
Стойка коромысел в сборе 7406.1007091
Коромысло клапана в сборе 7406.1007140
Распределительный вал 740.21-1006010
Корпус подшипника распределительного вала с втулкой 7482.1006036
Поршень с шатуном и кольцами 740.13-1004010-40
Поршень с шатуном и кольцами 740.30-1004010-40
Шатун 740.1004045
Установка форсунки охлаждения поршня 7405.1004120
Клапан форсунки охлаждения поршня 7405.1004066
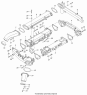
Установка вала коленчатого 740.13-1005007
Вал коленчатый 740.13-1005008
Установка вала коленчатого 740.30-1005007
Вал коленчатый 740.30-1005008
Шестерня коленчатого вала 7406.1005031
Установка гасителя крутильных колебаний и полумуфты отбора 740.13-1005059
Установка гасителя крутильных колебаний и полумуфты отбора мощности 740.21-1005059-10
Установка маховика и фиксатора 740.21-1005100-20
Установка маховика и фиксатора 740.21-1005100
Маховик 7405.1005115-20
Маховик 7405.1005115-50
Маховик 7405.1005116
Маховик 7405.1005116-20
Установка маховика и фиксатора 740.30-1005100
Маховик 740.30-1005115
Маховик 740.14-1005116
Фиксатор маховика 740.1005440
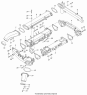
Установка привода отбора мощности переднего 7406-1005200
Привод агрегатов 7406.1005500
Корпус подшипника 7406.1005250
Вал отбора мощности 7406.1005535
Система питания
Установка электромагнитного клапана 740.1022800
Установка электромагнитного клапана 7406.1022800
Установка электромагнитного клапана 7482.1022800-10
Клапан с кронштейном и трубкой 7406.1022860
Установка топливного бака, ФГОТ и топливопроводов 43118-1100001-41
Установка топливного бака, ФГОТ и топливопроводов 43118-1100001-41
Установка топливного бака, ФГОТ и топливопроводов 43118-1100001-41
Установка топливного бака, ФГОТ и топливопроводов 43114-1100002-31
Установка топливного бака, ФГОТ и топливопроводов 43114-1100003-31
Установка топливного бака, ФГОТ и топливопроводов 53228-1100004-31
Установка топливного бака, ФГОТ и топливопроводов 43114-1100005-31
Установка топливного бака, ФГОТ и топливопроводов 53228-1100005-31
Бак топливный 5320-1101010-10
Бак топливный 53215-1101010
Бак топливный 53215-1101010
Труба наливная топливного бака с выдвижной трубой 5320-1101070-10
Пробка топливного бака 5320-1103010-01
Пробка топливного бака 541121-1103010
Трубка приемная с фильтром 5320-1104012
Трубка приемная с фильтром 5410-1104012-10
Трубка приемная с фильтром 53212-1104012
Трубка слива топлива в бак с угольником 5320-1104136
Трубка слива топлива в бак с краном 5410-1104136
Фильтр грубой очистки с насосом предпусковой прокачки топлива 7406.1105010
Фильтр грубой очистки топлива 740.1105010-01
Установка топливопроводов 54115-1104001
Установка топливопроводов 43253-1104000
Установка топливопроводов 740.13-1104000
Установка топливопроводов 740.13-1104000-10
Установка топливопроводов 740.21-1104000
Установка топливопроводов 740.51-1104000
Фильтр тонкой очистки топлива 740.21-1117010
Фильтр тонкой очистки топлива 740.51-1117010
Пружина 740.1117029
Привод управления регулятором 740.1108000-20
Привод управления регулятором 7406.1108000
Кронштейн с валом привода 7406.1108030
Кронштейн вала привода управления регулятором 740.1108038
Кронштейн вала привода управления регулятором 7406.1108038
Тяга привода управления регулятором 740.1108050
Тяга привода управления регулятором 7406.1108050
Наконечник тяги рычага управления регулятором 740.1108054
Установка управления подачей топлива 5320-1108003-20
Установка управления подачей топлива 53205-1108003
Управление подачей топлива 54115-1108003
Толкатель 5320-1108040
Толкатель 54115-1108040
Тяга ручного управления подачей топлива двигателя 5320-1108120-99
Тяга ручного управления подачей топлива двигателя 5320-1108120-12
Тяга ручного останова двигателя 5425-1108130
Тяга ручного останова двигателя 5320-1108130-02
Установка воздушного фильтра 54105-1109001
Установка воздушного фильтра 65116-1109001-10
Установка воздухозаборника 65116-1109003-10
Установка тройника 740.13-1109048-10
Установка тройника 65116-1109048
Фильтр воздушный 7405.1109510
Элемент фильтрующий с предочистителем 7405.1109557
Установка и привод ТНВД 740.11-1111000-50
Установка и привод ТНВД 740.31-1111000-40
Установка и привод ТНВД 740.30-1111000
Вал привода ТНВД 7406:1111050
Установка форсунки 740.11-1112000
Установка форсунки 740.50-1112000
Корпус переднего подшипника 7406.1111040
Установка системы впуска 740.13-1115000-10
Установка системы впуска 740.11-1115000-30
Установка системы впуска 7406.1115000-30
Установка турбокомпрессоров на двигатель 740.13-1118000-13
Установка турбокомпрессоров на двигатель 740.30-1118000-01
Установка системы охлаждения наддувочного воздуха 53205-1170000
Теплообменник охлаждения наддувочного воздуха 53205-1170300
Теплообменник охлаждения наддувочного воздуха 53205-1170300-01
Топливный насос высокого давления 337.1111005-20
Топливный насос высокого давления 337.1111005-20
Топливный насос высокого давления 337.1111005-20
Топливный насос высокого давления 337.1111005-20
Топливный насос низкого давления 332.1106010
Крышка регулятора верхняя в сборе 33.1110024
Державка грузов регулятора 333.1110040
Муфта регулятора в сборе 33.1110060
Крышка регулятора задняя в сборе 333.1110128-30
Рычаг регулятора в сборе 333.1110160
Рычаг стартовой пружины в сборе 33.1110505
Шестерня регулятора ведущая в сборе 333.1110515-30
Шестерня регулятора промежуточная в сборе 333.1110670-30
Корректор подачи топлива по наддуву 333.1110700-30
Корпус топливного насоса в сборе 337.1111020-30
Секция топливного насоса в сборе 323.1111039-01
Вал кулачковый в сборе 337.1111050-01
Крышка подшипника с манжетой в сборе 337.1111070-21
Толкатель плунжера в сборе 337.1111110
Клапан перепускной в сборе 338.1111140-20
Рейка правая в сборе 337.1111180
Рейка левая в сборе 337.111181
Рычаг реек в сборе 33.1111400
Система питания двигателя
Топливный насос низкого давления 332.1106010-01
Крышка регулятора верхняя 33.1110024
Державка грузов регулятора 333.1110040
Рычаг с корректорами 332.1110160-50
Регулятор частоты вращения 332.1110-40
Топливный насос высокого давления 337.1111005-42
Корпус топливного насоса в сборе
Корпус топливного насоса в сборе
Секция топливного насоса 337.111039-10
Насос предпусковой прокачки топлива 37.1141010
Система смазки
Установка картера масляного 740.21-1009001-02
Указатель уровня масла с уплотнителем 740.1009050
Трубка указателя уровня 740.1009048-50
Установка масляного насоса 740.11-1011001-10
Масляный насос с маслозаборником в сборе 740.11-1011005-10
Масляный насос с шестерней 740.11-1011010
Насос масляный 740.11-1011014-02
Крышка масляного насоса с клапаном 740.11-1011016-01
Корпус насоса 740.1011018-50
Крышка масляного насоса в сборе 740.11-1011019-01
Шестерня ведомая масляного насоса 740.1011030-50
Установка фильтра и теплообменника 7406.1012001-20
Установка фильтра и теплообменника 7406.1012001-30
Фильтр масляный с теплообменником 740.20-1012006
Фильтр очистки масла 7406.1012010
Корпус масляного фильтра 7406.1012015
Колпак масляного фильтра 740.20-1012068
Теплообменник масляный 740.20-1013200-10
Теплообменник масляный 740.60-1013200
Установка трубки вентиляции картера 43114-1014001-01
Установка системы вентиляции 740.1014100-14
Установка системы вентиляции 740.20-1014100-10
Угольник сапуна 7406-1014504
Трубка сапуна со втулкой 740.1014498
Система охлаждения
Установка радиатора 53205-1300023
Установка радиатора 53205-1300023
Установка радиатора 54115-1300023-10
Установка радиатора 54115-1300023-10
Установка уплотнителей радиатора 5320-1301003
Установка кожуха радиатора 4310-1301005
Установка водяных труб 7406.1303002
Установка водяного насоса, водяных труб и включателя гидромуфты 740.11-1303005-50
Установка водяного насоса, водяных труб и включателя гидромуфты 740.13-1303005
Труба водяная правая 740.1303100
Труба водяная левая 740.1303101
Труба водяная правая 7406.1303100-10
Труба водяная левая 7406.1303101-10
Коробка водяная 740.1303176
Водяной насос 740.1307010-02
Водяной насос 740.13-1307010
Включатель гидромуфты привода вентилятора 740.1318210-01
Установка корпуса водяных каналов 7406.1303005
Установка корпуса водяных каналов 740.30-1303005-10
Корпус водяных каналов 7406.1303010-10
Установка кранов сливных системы охлаждения с приводами управления 740.13-1305010
Кран сливной системы охлаждения 5320-1305010
Пробка крана 5320-1305015
Пробка с шариком и держателем 5320-1305030
Установка водяного насоса 7406.1307005
Водяной насос 7406.1307010
Установка вентилятора 740.13-1308010
Установка вентилятора 7406.1308010
Установка вентилятора 740.30-1308010
Установка обечайки вентилятора 7406.1309007-10
Установка расширительного бачка 5320-1311005
Установка расширительного бачка 54115-1311005-10
Бачок расширительный 5320-1311010-30
Пробка расширительного бачка 5320-1311010-30
Скоба верхняя 5320-1311086-30
Установка электромагнитной муфты 740.30-1317005
Муфта электромагнитная привода вентилятора 740.30-1317500-01
Шкив со ступицей вентилятора 740.30-1317510-01
Ступица вентилятора с фрикционным диском 740.30-1317520-10
Установка гидромуфты 740.1318005
Гидромуфта 740.1318010
Колесо ведущее с ведущим валом 740.1318025
Вал ведущий 740.1318026
Колесо ведомое гидромуфты с ведомым валом 740.1318044
Корпус подшипника гидромуфты 740.1318074
Трансмиссия
Сцепление
Установка педали и привода выключения сцепления 4310-1600006
Установка педали и привода выключения сцепления 43118-1600006-10
Установка педали и привода выключения сцепления 43118-1600006-10
Установка педали и привода выключения сцепления 53205-1600006-30
Установка педали и привода выключения сцепления 53205-1600006-30
Педаль сцепления с кронштейном и главным цилиндром 5320-1602008
Педаль сцепления с кронштейном и главным цилиндром 6520-1602008
Педаль сцепления с кронштейном и главным цилиндром 5320-1602008-10
Педаль сцепления 5320-1602010
Педаль сцепления 5320-1602010-10
Педаль сцепления 6460-1602010
Главный цилиндр управления сцеплением 5320-1602510-10
Главный цилиндр 5320-1602512
Бачок главного цилиндра привода сцепления 5320-1602560
Толкатель поршня главного цилиндра управления сцеплением 5320-1602568
Картер сцепления 14.1601008-20
Сцепление 142.1600010-01
Сцепление 17.1600010-01
Сцепление 17.1600010-10
Диск нажимной сцепления с кожухом 142.1601090-10
Рычаг оттяжной с вилкой и пружиной 14.1601086
Установка кронштейна и ПГУ на силовой агрегат 55111-1609509
Пневмогидравлический усилитель 5320-1609510
Корпус пневмогидравлического усилителя задний 5320-1609516
Поршень следящий с корпусом 5320-1609534
Поршень выключения сцепления 5320-1609552
Уплотнение поршня выключения сцепления 5320-1609556
Диафрагма ПГУ 5320-1609570
Клапан пневмогидравлического усилителя 5320.1609578
Поршень пневматический 5320-1609592
Коробка передач
Установка вентиляционных трубок коробки передач 4326-1600300
Коробка передач с делителем, управлением и деталями сцепления 152.1700070-31
Коробка передач с делителем, управлением и деталями сцепления 152.1700258
Коробка передач с картером сцепления 142.1700101
Коробка передач с делителем, управлением и деталями сцепления 154.1700050
Коробка передач 152.1700156
Коробка передач 154.1700150
Картер коробки передач 14.1701010
Картер коробки передач 154.1701010
Вал первичный коробки передач 142.1701025
Вал первичный коробки передач 152.1701025
Вал первичный коробки передач 154.1701025
Вал первичный коробки передач с зубчатой муфтой и втулкой 154.1701026
Вал первичный коробки передач с втулкой 142.1701027
Вал первичный коробки передач с втулкой 152.1701027
Вал первичный коробки передач с втулкой 154.1701027
Крышка подшипника первичного вала 14.1701039-01
Вал промежуточный 14.1701047
Вал промежуточный 154.1701047
Вал вторичный коробки передач 142.1701100
Вал вторичный коробки передач 154.1701100
Крышка заднего подшипника вторичного вала 141.1701201
Крышка заднего подшипника вторичного вала 154.1701201
Крышка заднего подшипника промежуточного вала 154.1701070
Механизм переключения передач 14.1702010
Крышка коробки передач верхняя 14.1702013
Вилка переключения 2-й и 3-й передачи 14.1702026
Вилка переключения 4-й и 5-й передачи 14.1702031
Опора рычага переключения передач 14.1702200-10
Опора рычага переключения передач 142.1702200
Опора рычага переключения передач 142.1702208
Привод управления механизмом переключения передач 14.1703005
Привод управления механизмом переключения передач 154.1703005
Привод управления механизмом переключения передач 15.1703005-02
Опора рычага переключения передач 14.1703204
Опора рычага переключения передач 154.1703204
Опора рычага переключения передач 15.1703204
Опора рычага переключения передач 14.1703206
Кронштейн опоры промежуточной тяги управления 14.1703284
Тяга реактивная 154.1703520
Делитель передач с управлением 152.1770011
Делитель передач с управлением 152.1770011-40
Делитель передач с управлением 154.1770010
Картер делителя передач с втулками 15.1770030-01
Картер делителя передач с втулками 15.1770030
Картер делителя передач с втулками 154.1770030
Вал первичный делителя передач 152.1770040
Вал первичный делителя передач 154.1770040
Вал промежуточный делителя передач 15.1770210-01
Вал промежуточный делителя передач 154.1770210
Механизм переключения делителя передач 15.1771010
Валик вилки механизма переключения с рычагом 15.1771110
Редукционный клапан управления механизмом переключения 15.1772100
Кран управления делителем передач с тросом 15.1772132
Коробка раздаточная
Установка раздаточной коробки 65111-1800008
Установка раздаточной коробки 65111-1800008-10
Установка раздаточной коробки 43118-1800008
Установка управления раздаточной коробкой 43114-1800009
Установка управления раздаточной коробкой 43114-1800009
Установка управления раздаточной коробкой 43118-1800009
Установка управления раздаточной коробкой 43118-1800009
Кран управления раздаточной коробки 4310-1804010
Коробка раздаточная 65111-1800020
Коробка раздаточная (см. 43114-1800020) 43114-1800020-01
Установка сменных шестерен привода датчика спидометра (см. 43114-1800600) 43114-1800600
Картер раздаточной коробки 65111-1802010
Вал первичный раздаточной коробки 65111-1802024
Вал первичный раздаточной коробки 43114-1802024
Крышка переднего подшипника первичного вала 65111-1802027-10
Крышка переднего подшипника первичного вала 4310-1802027
Вал промежуточный раздаточной коробки 65111-1802084-10
Вал промежуточный раздаточной коробки 43114-1802084
Крышка заднего подшипника промежуточного вала 65111-1802104-10
Крышка переднего подшипника привода переднего моста 65111-1802117-10
Дифференциал раздаточной коробки 65111-1802150-10
Дифференциал раздаточной коробки 43114-1802150
Обойма дифференциала раздаточной коробки с сателлитами 65111-1802155-10
Обойма дифференциала раздаточной коробки с сателлитами 43114-1802155
Обойма дифференциала раздаточной коробки 65111-1802160-10
Обойма дифференциала раздаточной коробки 43114-1802160
Ступица шестерни низшей передачи с втулкой 65111-1802168
Крышка заднего подшипника привода заднего моста вторая 65111-1802212-10
Крышка заднего подшипника привода заднего моста вторая 43114-1802213
Картер привода переднего моста 65111-1802230-10
Картер привода переднего моста 43114-1802230
Механизм включения низшей передачи 65111-1803010
Механизм включения низшей передачи 43114-1803010
Шток включения низшей передачи раздаточной коробки 65111-1803022
Шток включения низшей передачи раздаточной коробки 4310-1803022-10
Мосты
Мост передний 43114-2300020-10
Мост передний 43114-2300020-10
Мост передний 43114-2300022-10
Мост передний 43114-2300022-10
Мост передний 43114-2300023-10
Мост передний 43114-2300023-10
Мост передний 43118-2300020-10
Мост передний 43118-2300020-10
Мост передний 43118-2300022-10
Мост передний 43118-2300022-10
Передача главная переднего моста 43118-2302010-10
Крышка стакана подшипников 4310-2302050
Вал ведущий переднего моста 43118-2302021
Дифференциал переднего моста 53228-2303010-10
Опора шаровая поворотного кулака 4310-2304012
Корпус поворотного кулака 4310-2304028, 4310-2304029
Цапфа поворотного кулака 43114-2304081
Цапфа поворотного кулака с втулкой 43114-2304079, 43114-2304078
Кольцо упорное кулака шарнира полуоси 4310-2304128
Мост задний 4350-2400021-10
Мост задний 43118-2400021-10
Мост задний 43114-2400022-10
Мост задний 4350-2400025-10
Мост задний 43114-2400025-10
Мост задний 43118-2400025-10
Мост задний 4350-2400041-10
Мост задний 43114-2400041-10
Картер заднего моста с механизмом блокировки 4326-2401007
Картер заднего моста с механизмом блокировки 55102-2401007
Цапфа заднего моста 4310-2401081
Цапфа заднего моста 43114-2401081
Сапун 43081-2401114
Передача главная заднего моста 53205-2402010-10
Передача главная заднего моста 53205-2402011-10
Передача главная заднего моста 53205-2402011-10
Картер редуктора заднего моста 53205-2402015
Стакан подшипников 5320-2402048
Крышка стакана подшипников 53205-2402050
Крышка подшипника 5320-2402076
Стакан подшипников 5320-2402108
Шестерня ведомая коническая 5320-2402064-10
Дифференциал заднего моста 53215-2403010-10
Дифференциал заднего моста 53229-2403011-10
Сателлит дифференциала заднего моста с втулкой 53212-2403054
Вилка блокировки 55102-2409016
Привод блокировки межколесного дифференциала 4326-2411020
Привод блокировки межколесного дифференциала 43114-2411020
Привод блокировки межколесного дифференциала 43118-2411020
Привод блокировки межколесного дифференциала 43501-2411020
Мост средний 43114-2500021-10
Мост средний 43118-2500021-10
Мост средний 43114-2500022-10
Мост средний 43114-2500025-10
Мост средний 43114-2500025-10
Мост средний 43118-2500025-10
Передача главная среднего моста 53205-2502011-10
Передача главная среднего моста 43118-2502014-10
Шестерня ведущая коническая 5320-2502012
Крышка подшипника 5320-2502208
Дифференциал межосевой среднего моста 53205-2506010
Крышка подшипника 5320-2506026
Привод блокировки межосевого дифференциала 43118-2511021
Кран включения блокировки межосевого дифференциала 5320-2511060
Шток 5320-2511066
Ходовая часть
Управление
Управление
Установка рулевого механизма 4310-3400012
Установка колонки рулевого управления 5425-3400014
Установка трубопроводов рулевого управления 53205-3400018
Установка трубопроводов рулевого управления 53205-3400018-10
Механизм рулевой 4310-3400020
Картер механизма рулевого управления 4310-3401010
Вал сошки с крышкой 4310-3401063
Редуктор угловой механизма рулевого управления 4310-3401710
Корпус углового редуктора механизма рулевого управления 4310-3401716
Крышка корпуса с манжетами 4310-3401720
Шестерня ведущая углового редуктора с корпусом 4310-3401736
Шестерня ведомая углового редуктора 4310-3401750
Установка насоса гидроусилителя руля 740.13-3407001
Установка насоса рулевого усилителя 740.30-3407005
Установка насоса рулевого усилителя 740.30-3407006
Насос рулевого усилителя 4310-3407200-01
Насос рулевого усилителя 4310-3407200-02
Насос рулевого усилителя 4310-3407200-20
Насос рулевого усилителя 4310-3407200-21
Крышка насоса рулевого усилителя 4310-3407212
Клапан перепускной насоса гидроусилителя рулевого управления 53212-3407270
Фильтр насоса гидроусилителя руля 4310-3407338-10
Тяга сошки рулевого управления 4310-3414010
Тяга рулевой трапеции 4310-3414052
Вал карданный рулевого управления 4310-3422010
Вал карданный рулевого управления 53205-3422010-75
Колонка рулевого управления с замком противоугонного устройства 5425-3444009
Колонка рулевого управления 5425-3444010
Колонка рулевого управления 4310-3444010
Установка насоса гидроусилителя руля 7406.3407001
Тормозная система
Пневмосистема
Установка пневмотормозов 43101-3500006
Установка пневмотормозов 43101-3500006
Установка пневмотормозов 43101-3500006
Установка пневмотормозов 43101-3500006
Установка пневмотормозов 43114-3500006-74
Установка пневмотормозов 43114-3500006-74
Установка пневмотормозов 43114-3500006-74
Установка пневмотормозов 43114-3500006-74
Установка пневмотормозов 43118-3500006
Установка пневмотормозов 43118-3500006
Установка пневмотормозов 43118-3500006
Установка пневмотормозов 43118-3500006-71
Установка пневмотормозов 43118-3500006-71
Установка пневмотормозов 43118-3500006-71
Установка пневмотормозов 4326-3500006-71
Установка пневмотормозов 4326-3500006-71
Установка пневмотормозов 4326-3500006-71
Установка пневмотормозов 4326-3500006-38
Установка пневмотормозов 4326-3500006-38
Установка пневмотормозов 4326-3500006-38
Установка пневмотормозов 4326-3500006-38
Установка пневмотормозов 43501-3500006-37
Установка пневмотормозов 43501-3500006-37
Установка осушителя 43114-3500011-17
Установка блока подготовки воздуха 5320-3500011-10
Установка осушителя 5350-3500011-17
Установка осушителя 54115-3500011-17
Установка воздушных ресиверов 43118-3500013
Установка воздушных ресиверов 4310-3500013-10
Установка двухсекционного тормозного крана 6520-3500014
Установка четырех контурного защитного клапана 4310-3500015-10
Установка ускорительных клапанов 43101-3500018
Установка ускорительных клапанов 4326-3500018
Установка ускорительных клапанов 43501-3500018
Установка клапанов управления тормозами прицепа 43114-3500022
Установка клапанов управления тормозами прицепа 43114-3500022-30
Установка клапанов управления тормозами прицепа 43501-3500022
Установка регулятора тормозных сил 43114-3500033
Установка регулятора тормозных сил 4326-3500033
Установка регулятора тормозных сил 43501-3500033
Установка кабелей АБС 53215-3500037-23
Установка кабелей АБС 53215-3500037-23
Установка кабелей АБС 53215-3500037-23
Установка кабелей АБС 53215-3500037-42
Установка кабелей АБС 53215-3500037-42
Установка кабелей АБС 53215-3500037-42
Установка двухмагистрального клапана 43114-3500062-10
Установка пневмоуправления системой АБС 4310-3506042-22
Установка пневмоуправления системой АБС 4310-3506042-41
Установка охладителя 43118-3506180
Установка охладителя 5350-3506180-17
Установка охладителя 54105-3506180-17
Установка охладителя 43114-3506180
Установка компрессора 7405.3509003
Установка компрессора 7406.3509003
Компрессор 53205-3509015
Головка цилиндра с крышкой 53205-3509039
Крышка задняя в сборе 53205-3509088
Поршень в сборе 53205-3509154
Кран слива конденсата 16-3513110
Кран тормозной двухсекционный с педалью 5320-3514108
Кран тормозной двухсекционный 100-3514108-10
Клапан контрольного вывода 16-3515310
Клапан защитный четырехконтурный 53205-3515400-10
Кран экстренного растормаживания 16-3515510
Клапан ускорительный 100-3518010
Камера тормозная в сборе 661-3519310-10
Камера тормозная в сборе 661-3519210-10
Камера тормозная в сборе 661-3519210-30
Головка соединительная 100-3521010
Клапан управления тормозами прицепа с однопроводным приводом в сборе 100-3522110
Регулятор тормозных сил в сборе 100-3533010
Кран аварийного растормаживания в сборе 100-3537110
Корпус вспомогательного тормоза с заслонкой 53205-3570014
Вал заслонки 53215-3570030
Установка цилиндра выключения подачи топлива 54112-3570010
Цилиндр пневматический с тягой 54112-3570074
Цилиндр пневматический 30x25 с тягой 5320-3570074
Цилиндр выключения подачи топлива пневматический 100-3570110
Пневмоцилиндр вспомогательного тормоза 53205-3570205
Цилиндр пневматический ф35х65 53205-3570210
Цилиндр управления заслонкой в сборе 100-3570210
Электрооборудование
Система освещения
Установка плафона освещения платформы 4310-3700025
Установка фар и передних указателей поворота 53205-3711001
Установка фары 4310-3711002
Установка фонарей передних 4310-3712001
Установка плафонов 53205-3714001-10
Установка плафона освещения спального места 54105-3714002-24
Установка плафона освещения вещевого ящика 53205-3714003
Установка подкапотной лампы 5320-3715001
Установка задних фонарей 43501-3716002
Установка задних фонарей 43118-3716002-85
Установка фонаря заднего хода 43114-3716006
Установка фонаря заднего хода 54112-3716006
Установка фонаря заднего хода 55112-3716006
Установка заднего противотуманного фонаря 55112-3716007
Установка заднего противотуманного фонаря 54112-3716007
Установка электромеханического корректора 53215-3718001-85
Установка фонаря подкузовного 4310-3719101
Установка сигнального фонаря бокового указателя поворотов 5320-3726001
Установка бокового повторителя указателей поворота 53215-3726001
Установка прерывателя указателей поворота 5320-3726002
Установка прерывателя указателей поворота 53215-3726002
Установка прожектора 4310-3727002
Установка боковых габаритных фонарей на переднем крыле 43118-3731001
Установка боковых габаритных фонарей 4326-3731001
Установка боковых габаритных фонарей на переднем крыле 54115-3731001
Установка задних контурных фонарей 53215-3731002
Установка малогабаритного выключателя массы (5320- 3737001-01) 4310-3737001-01
Установка фонарей автопоезда 53205-3738001
Установка габаритных фонарей 5425-3738002
Элементы электрооборудования
Электрооборудование. Расположение на автомобиле 43114-3700012-12
Электрооборудование. Расположение на автомобиле 43114-3700012-12
Электрооборудование. Расположение на автомобиле 43114-3700012-12
Электрооборудование. Расположение на автомобиле 43114-3700011-40
Электрооборудование. Расположение на автомобиле 43114-3700011-40
Электрооборудование. Расположение на автомобиле 43114-3700011-40
Электрооборудование. Расположение на автомобиле 43118-3700001-23
Электрооборудование. Расположение на автомобиле 43118-3700001-23
Электрооборудование. Расположение на автомобиле 43118-3700001-23
Электрооборудование. Расположение на автомобиле 43118-3700011-25
Электрооборудование. Расположение на автомобиле 43118-3700011-25
Электрооборудование. Расположение на автомобиле 43118-3700011-25
Электрооборудование. Расположение на автомобиле 4326-3700001-29
Электрооборудование. Расположение на автомобиле 4326-3700001-29
Электрооборудование. Расположение на автомобиле 4326-3700001-29
Электрооборудование. Расположение на автомобиле 4326-3700001-33
Электрооборудование. Расположение на автомобиле 4326-3700001-33
Электрооборудование. Расположение на автомобиле 4326-3700001-33
Электрооборудование. Расположение на автомобиле 43501-3700001-22
Электрооборудование. Расположение на автомобиле 43501-3700001-22
Электрооборудование. Расположение на автомобиле 43501-3700001-22
Электрооборудование. Расположение на автомобиле 43501-3700001-29
Электрооборудование. Расположение на автомобиле 43501-3700001-29
Электрооборудование. Расположение на автомобиле 43501-3700001-29
Установка выключателя сигнала к водителю 4310-3700023
Монтаж электрооборудования подогревателя 5320-3700087
Установка аккумуляторных батарей 4310-3703001
Установка аккумуляторных батарей 53228-3703001-85
Установка выключателя приборов и стартера 53205-3708001
Установка стартера 740.13-3708005
Установка подрулевого переключателя 53215-3709002
Панель выключателей 43114-3710428-30
Панель выключателей 43114-3710428
Панель выключателей 53228-3710428-36
Панель выключателей 43118-3710428-17
Панель выключателей 43501-3710428-20
Установка звуковых электрических сигналов 5320-3721001-10
Установка предохранителей 53205-3722501
Установка предохранителей 53205-3722501-10
Установка розетки внешнего запуска 43114-3723001
Установка розетки переносной лампы 4311Л-3723002
Установка розеток прицепа 43114-3723003-70
Установка розеток прицепа 55112-3723003
Установка розеток прицепа 6350-3723003-22
Установка розетки переносной лампы 43101-3723005
Установка розетки переносной лампы 53205-3723005
Установка розетки переносной лампы 43114-3723006
Установка розетки штепсельной 5350-3723501
Установка электрооборудования подогревателя 53205-3741001
Установка электрооборудования подогревателя ПЖД-12 53205-3741001-20
Установка электрооборудования системы подогрева топлива 65111-3741004-10
Установка противотуманных фар 4310-3743001
Установка реле 43118-3747001-15
Установка реле 53205-3747001-29
Установка реле 6460-3747001-32
Установка реле 6520-3747001-15
Установка реле 6520-3747001-32
Установка реле блокировки стартера 5320-3747195-10
Установка электронного реле стартера 6460-3747195-10
Установка реле блокировки стартера 6520-3747195
Установка преобразователя напряжения 5350-3759001
Генератор с проводом 3122.3771
Щиток приборов 43118-3805010-27
Щиток приборов 43114-3805010-76
Щиток приборов 43114-3805010-91
Щиток приборов 43114-3805010-94
Щиток приборов 43118-3805010-22
Щиток приборов 4326-3805010-33
Установка трубопроводов к шинному манометру 4310-3816001
Установка трубопроводов к манометру 43114-3830001
Установка датчиков аварийного давления воздуха 43114-3830002
Установка электрооборудования АБС 53215-3859001-22
Кузов
Кабина
Переднее крепление и механизм уравновешивания кабины 54115-5000003
Переднее крепление и механизм уравновешивания кабины 5320-5000003
Установка кабины с оперением 43114-5000006-64
Установка кабины с оперением 43114-5000006-24
Установка кабины с оперением 43114-5000006-34
Кабина с дверями окрашенная 43114-5000014-04
Кабина с дверями окрашенная 43114-5000014-24
Установка механизма опрокидывания кабины и запасного колеса 43114-5000079-30
Установка механизма опрокидывания кабины и запасного колеса 43114-5000079-40
Установка механизма опрокидывания кабины 43114-5000079-70
Установка механизма опрокидывания кабины и запасного колеса 43114-5000079-80
Установка задней подвески кабины 43114-5001006-20
Установка задней подвески кабины 43114-5001006
Установка задней подвески кабины 53205-5001006
Кронштейн переднего крепления кабины верхний 5320-5001010
Рессора кабины 5320-5001080
Установка ограничителя кабины 43114-5002051-10
Установка ограничителя кабины 4310-5002051
Гидроцилиндр МОК 43114-5003014
Цилиндр опрокидывающего механизма кабины 4310-5003014
Гидроцилиндр 4310-5003010-10
Поршень 4310-5003038
Насос опрокидывающего механизма кабины 4310-5004010
Корпус насоса механизма опрокидывания кабины и запасного колеса 4310-5004016
Запор кабины правый 53205-5018010
Запор кабины левый 53205-5018011
Корпус запора кабины 5320-5018014, 5320-5018015
Кронштейн запора кабины 5320-5018060, 5320-5018061
Установка стеклоочистителя 53205-5205001
Стеклоочиститель электрический 271.5205010
Установка омывателя электрического 53205-5208004
Установка зеркал заднего вида 53205-8201002
Дополнительное оборудование
Truck Контакты:
Адрес: г. Якутск, мкр. Марха Строда, 40 677901 Якутск,
Телефон:+7 (411) 231-87-88, Электронная почта: info@truck14.ru