+7 (411) 231-87-88
+7 (411) 231-87-88

Каталог запчастей на КамАЗ 43269 ""Выстрел"" (БПМ-97) - бронеавтомобиль (4x4); 43269-0000010-15, 43269-0000011-15, 43269-0000317-15; 740.31-240 (Euro-2)

2010
43269
Развернуть каталог до:
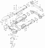
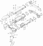
Двигатель
Основные элементы двигателя
Головка цилиндра 740.30-1003014
Заглушка с кольцом 740.1003434
Стойка коромысел 7406.1007091
Коромысло клапана 7406.1007140
Распределительный вал 740.21-1006010
Корпус подшипника распределительного вала с втулкой 7482.1006036
Установка картера агрегатов 7406.1002003
Картер агрегатов 7406.1002320
Шестерня ведущая 7406.1029115
Ось ведущей шестерни 7406.1029125
Установка картера маховика 7406.1002004-20
Картер маховика 7406.1002310
Корпус манжеты 740.37-1029170
Блок цилиндров 740.13-1002010
Заглушка водяной полости 740.1002080
Втулка с кольцами 740.1003035
Блок цилиндров 740.21-1002011
Установка головок цилиндра и механизма газораспределения 740.21-1003000
Головка цилиндра с клапанами 740.30-1003010
Поршень с шатуном и кольцами 740.30-1004010-42
Установка форсунки охлаждения поршня 7405.1004120
Установка коленчатого вала 740.30-1005007
Вал коленчатый 740.30-1005008
Шестерня коленчатого вала 7406.1005031
Установка гасителя крутильных колебаний и полумуфты отбора мощности 740.21-1005059-10
Установка привода отбора мощности переднего 7406-1005200
Привод агрегатов 7406.1005500
Крышка блока цилиндров передняя 7406.1002260
Корпус подшипника 7406.1005250
Вал отбора мощности 7406.1005535
Установка маховика и фиксатора 740.30-1005100-10
Фиксатор маховика 740.1005440
Маховик 740.30-1005115
Маховик 740.50-1005116
Система питания
Установка топливных баков и топливопроводов 43269-1100001
Бак топливный 5410-1101010-11
Труба наливная топливного бака с выдвижной трубой 5320-1101070-10
Пробка топливного бака 5320-1103010-01
Установка топливопроводов 740.21-1104000
Установка фильтра грубой очистки топлива 43269-1105005-10
Фильтр грубой очистки топлива с подогревателем 740.11-1105010
Привод управления регулятором 7406.1108000
Кронштейн с валом привода 7406.1108030
Кронштейн вала привода 7406.1108038
Тяга привода управления регулятором 7406.1108050
Наконечник тяги рычага управления регулятором 740.1108054
Установка управления подачей топлива 43269-1108003
Установка воздушного фильтра 43269-1109001-20
Установка воздухозаборника 43269-1109003
Установка тройника 43269-1109048-10
Тройник 43269-1109049-10
Моноциклон 43269-1109100
Установка и привод ТНВД 740.31-1111000-30
Вал привода ТНВД 7405.1111050
Установка форсунки 740.50-1112000
Установка системы впуска 7406.1115000-30
Коллектор впускной правый 7406.1115012-40
Коллектор впускной левый 7406.1115014-40
Патрубок соединительный 7406.1115030-20
Патрубок объединительный 7406.1115045-40
Тройник 7406.1115110-20
Труба подводящая 7406.1115122-10
Установка турбокомпрессора 740.30-1118000
Турбокомпрессор 7406.1118010
Корпус подшипников с ротором 7405.1118018
Корпус подшипников с подшипниками 7405.1118020
Ротор с колесом компрессора 7405.1118080
Установка системы охлаждения наддувочного воздуха 53205-1170000
Трансмиссия
Коробка раздаточная
Установка крепления раздаточной коробки 43269-1800008
Коробка раздаточная с коробкой отбора мощности 65111 -1800020
Установка сменных шестерен привода датчика спидометра 43114-1800600
Вал первичный раздаточной коробки 65111-1802024
Крышка переднего подшипника первичного вала 65111-1802027-10
Вал промежуточный раздаточной коробки 65111-1802084-10
Крышка заднего подшипника промежуточного вала 65111-1802104-10
Дифференциал раздаточной коробки 65111-1802150-10
Обойма дифференциала раздаточной коробки с сателлитами 65111-1802155-10
Обойма дифференциала раздаточной коробки 65111-1802160-10
Ступица шестерни низшей передачи с втулкой 65111-1802168
Крышка заднего подшипника привода заднего моста 65111-1802212-10
Картер привода переднего моста 65111 -1802230-10
Механизм включения низшей передачи 65111-1803010
Шток включения низшей передачи раздаточной коробки 65111-1803022
Кран управления раздаточной коробкой 4310-1804010
Управление
Управление
Установка рулевого колеса 4308-3400002-19
Установка рулевого механизма 4310-3400012
Установка колонки рулевого управления 43269-3400014
Установка трубопроводов 43269-3400018
Механизм рулевой 4310-3400020
Картер механизма рулевого управления 4310-3401010
Вал сошки с крышкой 4310-3401063
Редуктор угловой механизма рулевого управления 4310-3401710
Корпус углового редуктора механизма рулевого управления 4310-3401716
Крышка корпуса с манжетами 4310-3401720
Шестерня ведущая углового редуктора с корпусом 4310-3401736
Шестерня ведомая углового редуктора 4310-3401750
Установка насоса рулевого усилителя 43269-3407001
Тяга сошки с наконечниками 4310-3414010-10
Тяга с наконечником 4310-3414011-10
Тяга рулевой трапеции 4310-3414052
Вал карданный рулевого управления 53205-3422010
Шарнир карданный 53205-3422012
Шарнир с втулкой 53205-3422014
Уплотнитель с втулкой 53205-3422122
Насос рулевого усилителя 4310-3407200-01
Насос рулевого усилителя 4310-3407200-02
Тормозная система
Пневмосистема
Установка пневмотормозов 43269-3500006
Установка пневмотормозов 43269-3500006
Установка блока подготовки воздуха 43269-3511005
Установка ресиверов 43269-3513005
Кран слива конденсата 16-3513110
Установка двухсекционного тормозного крана 43269-3514005
Кран тормозной двухсекционный с педалью 5320-3514108
Установка четырехконтурного защитного клапана 43269-3515005
Клапан контрольного вывода 16-3515310
Клапан защитный четырехконтурный 53205-3515400-10
Установка ускорительного клапана 43269-3518005
Клапан ускорительный 100-3518010
Установка клапана управления тормозами прицепа 43269-3522005
Установка двух магистральных клапанов 43269-3562005
Корпус вспомогательного тормоза с заслонкой 6460-3570014-10
Пневмоцилиндр вспомогательного тормоза 53205-3570205
Цилиндр пневматический d=35х65 53205-3570210
Установка цилиндра выключения подачи топлива 5320-3570010
Цилиндр пневматический с тягой 5320-3570074-10
Установка пневмоуправления системой АБС 53205-3506042-41
Установка компрессора 7406.3509003
Компрессор 53205-3509015-20
Картер компрессора 53205-3509018
Крышка задняя в сборе 53205-3509088
Головка цилиндра с крышкой 53205-3509039-20
Поршень в сборе 53205-3509154
Электрооборудование
Элементы электрооборудования
Электрооборудование. Расположение на автомобиле 43269-3700001-13
Электрооборудование. Расположение на автомобиле 43269-3700001-14
Установка генератора 740.30-3701001-10
Установка аккумуляторных батарей 43269-3703001-13
Установка контактора 43269-3703110
Установка молекулярного накопителя энергии 43269-3703120
Установка стартера 740.50-3708005
Установка подрулевого переключателя 53215-3709002
Установка выключателей и розетки командира 43269-3710001
Установка звуковых электрических сигналов 43269-3721001
Установка реле и предохранителей 43269-3722001-13
Установка розетки внешнего запуска 43269-3723001
Установка розеток прицепа и переносной лампы 43269-3723003
Установка розеток прицепа и переносной лампы 43269-3723003-10
Установка штепсельной розетки 43269-3723004
Установка штепсельной розетки 43269-3723004-10
Установка выключателя аккумуляторных батарей 43269-3737001-13
Установка пульта управления отопителем 43269-3741070
Установка модуля зажигания подогревателя 43269-3741100
Установка противотуманных фар 53229-3743001
Пломбировка спидометра 53205-3802001
Установка щитка приборов 43269-3805001-11
Установка щитка приборов 43269-3805001-12
Щиток приборов 43269-3805010-10
Установка датчиков аварийного давления воздуха 43269-3830002
Установка датчиков 740.62-3800001
Установка датчиков на коробку передач 740.62-3800002
Кузов
Дополнительное оборудование
Truck Контакты:
Адрес: г. Якутск, мкр. Марха Строда, 40 677901 Якутск,
Телефон:+7 (411) 231-87-88, Электронная почта: info@truck14.ru