+7 (411) 231-87-88
+7 (411) 231-87-88

Каталог запчастей на КамАЗ 65222-0006010-43 - автомобиль-самосвал (6x6); 740.632-400 (Euro-4)

07.02.2013
65222
Развернуть каталог до:
Двигатель
Система питания
Трансмиссия
Коробка передач
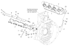
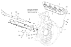
Установка коробки передач 53602-1700005
Установка привода управления механизмом переключения передач 6520-1703005-40
Опора рычага переключения передач 53602-1703204
Тяга 6540-1703325-06
Тяга реактивная 43085-1703520
Установка пневмопривода управлением переключения передач 6460-1772005-04
Жгут трубопроводов управления переключением передач 6560-1772007-04
Картер коробки передач с пробками
Установка нижней крышки картера и трубки распылителя
Установка картера сцепления
Первичный вал
Установка крышки первичного вала
Промежуточный вал
Установка насоса
Основной вал
Установка пробок картера
Штоки вилок переключения передач
Механизм переключения передач
Установка боковых крышек механизма переключения передач
Установка датчиков механизма переключения передач
Комплект пружин
Механизм управления демультипликатором
Установка задней крышки картера
Картер планетарной передачи
Привод планетарной передачи
Установка заднего фланца
Синхронизатор планетарной передачи
Управление планетарной передачей
Механизм выбора передаточного числа
Вилка выключения сцепления
Установка цилиндра сцепления
Комплекты для запасных частей
Мосты
Мост передний 65221-2300633-10
Передача главная переднего моста 6522-2302010-10
Дифференциал переднего моста 6522-2303010-10
Мост задний 65227-2400731-10
Мост задний 65227-2400757-10
Клапан со штуцером 5320-2401114
Стакан подшипников 6520-2402048
Передача главная заднего моста 6520-2402011-10
Картер редуктора заднего моста 6520-2402015
Крышка подшипника 6520-2402076
Крышка подшипника 6520-2402050-01
Сателлит дифференциала заднего моста с втулкой 53212-2403054
Шестерня ведущая коническая 6520-2402021-10
Дифференциал моста заднего 6520-2403011-10
Вилка блокировки 55102-2409016
Мост средний 65227-2500732-10
Мост средний 65227-2500756-10
Передача главная среднего моста 6520-2502011-10
Картер редуктора среднего моста 6520-2502015
Крышка подшипника 6520-2502208
Дифференциал моста среднего 6520-2503011-10
Кран включения блокировки 5320-2511060
Передние ведущие мосты MADARA 633.1, 633.2
Передние ведущие мосты MADARA 633.1, 633.2
Передние ведущие мосты MADARA 633.1, 633.2
Передние ведущие мосты MADARA 633.1, 633.2
Передние ведущие мосты MADARA 633.1, 633.2
Передние ведущие мосты MADARA 633.1, 633.2
Средние и задние ведущие мосты MADARA 631.1, 632.1
Средние и задние ведущие мосты MADARA 631.1, 632.1
Средние и задние ведущие мосты MADARA 631.1, 632.1
Средние и задние ведущие мосты MADARA 631.1, 632.1
Средние и задние ведущие мосты MADARA 631.1, 632.1
Тормозная система
Пневмосистема
Установка пневмопривода тормозов 65221-3500006-06
Установка пневмопривода тормозов 65222-3500006-04
Блок подготовки воздуха 6520-3511001
Клапан накачки шин и кран экстренного растормаживания 5460-3531010
Установка осушителя 6520-3500011-86
Осушитель 6520-3511001-86
Ресивер 6520-3513011-86
Установка пневмопривода в кабине 5460-3500080-05
Установка двухсекционного тормозного крана 6520-3500014-34
Кран тормозной двухсекционный с педалью 5320-3514108
Кран тормозной двухсекционный 100-3514108-10
Установка воздушных ресиверов 65225-3500013-04
Установка блока управления тормозами передней оси 6520-3506001
Блок передних модуляторов АБС 5460-3542005
Электромагнитный клапан с фитингами 6520-3570010
Четырехконтурный защитный клапан в сборе с фитингами и двухмагистральным клапаном 6522-3515010
Установка блока управления тормозами задней тележки 65221-3506002-04
Установка блока управления тормозами задней тележки 65222-3506002-04
Блок управления тормозами задней тележки 6520-3518010-83
Блок управления тормозами задней тележки 6520-3518010-82
Блок задних модуляторов АБС 6520-3542007-80
Клапан ускорительный с глушителем 5350-3518001-01
Клапан ускорительный с глушителем 2233-3518010-20
Клапан управления тормозами прицепа с двухпроводным приводом и глушителем 2233-3522010-10
Установка охладителя 65201-3506170-07
Установка компрессора 65115-3509001-03
Установка компрессора 740.30-3509004-03
Установка компрессора 7406.3509003-03
Установка компрессора 7406.3509003-13
Установка пневмовыводов к полуприцепу 65225-3506500
Камера тормозная тип 30 6560-3519310
Электрооборудование
Элементы электрооборудования
Электрооборудование. Расположение на автомобиле 65221-3700001-20
Электрооборудование. Расположение на автомобиле 65222-3700001-20
Электрооборудование. Расположение на панели приборов 65221-3700060-20
Электрооборудование. Расположение на панели приборов 65222-3700060-20
Установка выключателя аккумуляторной батареи 5308-3710004
Установка выключателя ЭФУ 65115-3710007
Установка выключателей 65116-3710001-30
Установка блока управления ЭФУ 6520-3740001
Установка блока управления корректором фар 6520-3718001
Установка предохранителей 4308-3722001-30
Установка оборудования обогрева зеркал 65115-3741017
Установка реле 4308-3747001-50
Установка выключателя коробки отбора мощности 65228-3710002
Установка аккумуляторных батарей 65221-3703001
Установка таблички регулировки пучка света фар 53205-3711040
Установка звуковых электрических сигналов 5320-3721001-10
Установка блока предохранителей 65115-3722002
Установка парковочной розетки и спирального кабеля 6460-3723007-10
Установка розетки переносной лампы 53205-3723005
Установка бокового повторителя указателя поворота 5480-3726001-10
Установка малогабаритного выключателя массы 5320-3737001-01
Установка электрооборудования обогрева зеркал на кабине 65115-3741018
Установка электрооборудования системы подогрева топлива на панели приборов 65115-3741016-70
Установка электрооборудования подогревателя 5308-3741001
Пломбировка спидометра 5308-3802001
Установка датчиков указателя давления воздуха 4308-3830005
Установка датчиков аварийного давления воздуха 53205-3830002
Установка датчиков аварийного давления воздуха 53205-3830002
Пломбировка датчика скорости 6520-3840002-50
Установка тахографа 65115-3840001
Установка щитка приборов 5308-3805001
Щиток приборов 5308-3805010
Система управления двигателем. Расположение на автомобиле 6520-4000010-74
АБС. Расположение на автомобиле 65221-4000012-31
АБС. Расположение на автомобиле 65222-4000012-10
АБС. Расположение на панели приборов 43253-4000120-10
АБС. Расположение на кабине 43253-4000220-10
Радиооборудование. Расположение на панели приборов 4308-7900010
Радиооборудование. Расположение на кабине 4308-7900020
Кузов
Приложения
Комплектации автомобилей
Truck Контакты:
Адрес: г. Якутск, мкр. Марха Строда, 40 677901 Якутск,
Телефон:+7 (411) 231-87-88, Электронная почта: info@truck14.ru