+7 (411) 231-87-88
+7 (411) 231-87-88

Каталог запчастей на КамАЗ 6460 - седельный тягач (6х4); 740.73-400, 740.74-420 (Euro-4)

30.10.2012
6460
Развернуть каталог до:
Двигатель
Основные элементы двигателя
Установка картера маховика 740.70-1002004
Блок цилиндров 740.70(73)-1002010
Блок цилиндров 740.70-1002011, 740.73-1002011
Крышка блока цилиндров передняя 740.63-1002260
Картер маховика 740.70-1002310
Установка головок цилиндра и механизма газораспределения 740.90-1003000
Головка цилиндра с клапанами и стойкой коромысел 740.90-1003010
Головка цилиндра 740.90-1003014
Установка цилиндропоршневой группы и форсунок охлаждения поршня 740.60-1004000-96
Поршень с шатуном и кольцами 740.60-1004010-42
Шатун 740.1004045
Установка форсунки охлаждения поршня 740.60-1004065
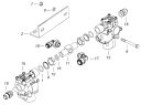
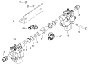
Установка коленчатого вала 740.71-1005007
Коленчатый вал 740.71-1005008
Шестерня коленчатого вала 7406.1005031
Установка гасителя крутильных колебаний и полумуфты отбора мощности 740.21-1005059-10
Установка шкива коленчатого вала 7406.1005060-20
Установка маховика 740.60-1005100-20
Маховик 740.50-1005115-10
Маховик 740.50-1005116
Установка привода отбора мощности переднего 740.70-1005200
Вал отбора мощности 740.30-1005535
Корпус подшипника 7406.1005250
Привод агрегатов 740.70-1005500-10
Распределительный вал 740.21-1006010
Стойка коромысел 7406.1007091
Коромысло клапана 7406.1007140
Шестерня ведущая 740.65-1029120
Ось ведущей шестерни 740.30-1029125
Система питания
Установка топливных баков и топливопроводов 6460-1100068-62
Установка кожуха защитного на топливный бак 6460-1102001-10
Установка топливопроводов 740.70-1104000
Установка топливопроводов 65115-1104004-70
Штуцер 740.70-1104230
Установка воздушного фильтра 6520-1109001-60
Фильтр воздушный в сборе с переходником и патрубком с датчиком 6520-1109002-60
Установка воздухозаборника 6520-1109003-60
Воздухозаборник с уплотнителем 6520-1109400-61
Установка ТНВД 740.90-1111000
Редуктор привода ТНВД 740.90-1111005-10
Корпус редуктора привода ТНВД с подшипником и втулками 740.90-1111010
Крышка редуктора привода ТНВД с подшипником 740.90-1111020
Вал редуктора привода ТНВД с подшипниками 740.90-1111030-10
Колесо редуктора привода ТНВД в сборе 740.90-1111040-10
Установка форсунки 740.90-1112000
Установка системы впуска 740.74-1115000
Коллектор впускной правый 740.90-1115012-10
Коллектор впускной левый 740.90-1115014-10
Патрубок соединительный 740.63-1115030-20
Патрубок объединительный 7406.1115045-40
Труба подводящая 7406.1115122-10
Установка турбокомпрессора на двигатель 740.74-1118000
Установка патрубков 740.74-1170010
Трансмиссия
Коробка передач
Установка нижнего шумоизоляционного экрана КПП 5460-1580004
Установка коробки передач на двигатель 5490-1700005
Установка коробки передач на двигатель 6520-1700005-30
Установка привода управления механизмом переключения передач 6520-1703005-41
Опора рычага переключения передач 53602-1703204
Тяга 6540-1703325-06
Тяга реактивная 43085-1703520
Кронштейн с осью и скобой 6520-1703545-41
Установка пневмопривода управлением переключения передач 6460-1772005-04
Картер коробки передач с пробками
Установка нижней крышки картера и трубки распылителя
Установка картера сцепления
Первичный вал
Установка крышки первичного вала
Промежуточный вал
Установка насоса
Основной вал
Установка пробок картера
Штоки вилок переключения передач
Механизм переключения передач
Установка боковых крышек механизма переключения передач
Установка датчиков механизма переключения передач
Комплект пружин
Механизм управления демультипликатором
Установка задней крышки картера
Картер планетарной передачи
Привод планетарной передачи
Установка заднего фланца
Синхронизатор планетарной передачи
Управление планетарной передачей
Механизм выбора передаточного числа
Вилка выключения сцепления
Установка цилиндра сцепления
Комплекты для запасных частей
Ходовая часть
Тормозная система
Пневмосистема
Установка пневмопривода тормозов 6460-3500006-04
Установка пневмопривода тормозов 6460-3500006-07
Установка пневмопривода тормозов 6460-3500006-08
Установка осушителя 6520-3500011-86
Установка ресиверов 6460-3500013-04
Установка ресиверов 6460-3500013-07
Установка двухсекционного тормозного крана 6520-3500014-34
Установка пневмопривода в кабине 5460-3500080-05
Установка пневмопривода в кабине 5460-3500080-05
Установка блока управления тормозами передней оси 6520-3506001
Установка блока управления тормозами задней тележки 6460-3506002
Установка охладителя 65201-3506170-07
Охладитель 65201-3506174-07
Установка пневмовыводов к полуприцепу 5460-3506500-05
Установка пневмовыводов к полуприцепу 5460-3506500-72
Установка компрессора 7406.3509003-05
Установка компрессора 740.30-3509004-01
Компрессор 53205-3509015-20
Картер компрессора 53205-3509018
Головка цилиндра с крышкой 53205-3509039-20
Крышка задняя в сборе 53205-3509088
Поршень в сборе 53205-3509154
Блок подготовки воздуха 6520-3511001
Осушитель 6520-3511001-86
Блок ресиверов 6460-3513007-01
Блок ресиверов 6460-3513007-02
Блок ресиверов 6460-3513007-07
Ресивер с фитингами 6460-3513009-07
Ресивер с фитингами 6460-3513010
Ресивер с фитингами 6460-3513010-01
Ресивер с фитингами 6460-3513010-02
Ресивер с фитингами 65115-3513010-04
Ресивер с фитингами 6460-3513010-07
Ресивер с фитингами 6460-3513010-12
Ресивер 6520-3513011-86
Кран тормозной двухсекционный с педалью 5320-3514108
Блок управления тормозами задней тележки 65225-3518010-04
Блок управления тормозами задней тележки 6460-3518010-04
Тормозная камера тип 30/24 6520-3519500
Головка соединительная автоматическая правая в сборе с трубопроводом спиральным 54115-3521110
Клапан накачки шин и кран экстренного растормаживания 5460-3531010
Датчик скорости с кронштейном 6520-3541110
Датчик скорости с втулкой 53205-3541109-01
Блок модуляторов АБС 5460-3542005
Модуляторы с соединительной арматурой 6460-3542005
Блок задних модуляторов АБС 6460-3542007-05
Клапан электромагнитный с фитингами 6460-3570009
Электромагнитный клапан с фитингами 6520-3570010
Корпус вспомогательного тормоза с заслонкой 65115-3570010-04
Корпус вспомогательного тормоза с заслонкой 65115-3570014-04
Пневмоцилиндр вспомогательного тормоза 53205-3570205
Цилиндр пневматический d=35х65 53215-3570210
Электрооборудование
Элементы электрооборудования
Электрооборудование. Расположение на автомобиле 6460-3700001-57
Светотехника 6460-3700001-57
Установка электрооборудования на козырьке 53215-3700005
Установка кнопки управления АЦС 65115-3700014
Электрооборудование. Расположение на панели приборов 6460-3700060-57
Установка выключателей 65111-3710001-28
Установка выключателей 65116-3710001-30
Установка выключателей 6460-3710001-51
Установка выключателей 6460-3710001-52
Установка выключателя коробки отбора мощности 65228-3710002
Установка выключателя аккумуляторной батареи 5308-3710004
Установка выключателя ЭФУ 65115-3710007
Установка таблички регулировки пучка света фар 53205-3711040
Установка блока управления корректором фар 6520-3718001
Установка звуковых электрических сигналов 5320-3721001-10
Установка силовых предохранителей 5308-3722001
Установка блока предохранителей 65115-3722002
Установка розеток прицепа 6460-3723003
Установка розеток прицепа 6460-3723003-10
Установка розетки переносной лампы 53205-3723005
Установка проводов на панели приборов 5460-3724002-66
Установка проводов на панели приборов 5460-3724002-66
Установка жгута проводов 740.70-3724010
Установка блока управления 740.70-3724050
Блок управления в сборе 740.70-3724060
Установка выключателя массы 6540-3737001
Установка блока управления ЭФУ 6520-3740001
Установка электрооборудования подогревателя 5308-3741001
Установка электрооборудования воздушного отопителя 5460-3741006-34
Установка электрооборудования воздушного отопителя 5460-3741006-35
Установка электрооборудования системы подогрева топлива на панели 65111-3741016-70
Установка оборудования обогрева зеркал 65115-3741017
Установка электрооборудования обогрева зеркал на кабине 65115-3741018
Установка реле и блока управления электрооборудованием 5308-3747005
Установка заглушек 740.62-3800001-55
Пломбировка спидометра 5308-3802001
Установка щитка приборов 5308-3805001
Установка датчиков аварийного давления воздуха 53205-3830002
Установка датчиков аварийного давления воздуха 53205-3830002
Установка датчиков указателя давления воздуха 4308-3830005
Установка тахографа 65115-3840001
Пломбировка датчика скорости 6520-3840002-50
Система управления двигателем. Расположение на автомобиле 6520-4000010-74
Система управления коробкой передач. Расположение на автомобиле 5460-4000011-11
АБС. Расположение на автомобиле 6460-4000012-11
Система нейтрализации. Расположение на автомобиле 5460-4000016
АБС. Расположение на панели приборов 43253-4000120-10
АБС. Расположение на кабине 43253-4000220-10
Радиооборудование. Расположение на панели приборов 4308-7900010
Радиооборудование. Расположение на кабине 4308-7900020
Кузов
Приложения
Комплектации автомобилей
Truck Контакты:
Адрес: г. Якутск, мкр. Марха Строда, 40 677901 Якутск,
Телефон:+7 (411) 231-87-88, Электронная почта: info@truck14.ru